Уважаемые покупатели! Информация по цене и наличию товара, может отличаться от фактической к моменту оформления заказа!
По наличию и стоимости интересующего вас товара, пожалуйста уточняйте по телефону:
Особенности:
- Надежная электрическая лебедка для коммерческих, промышленных и тяжелых условий эксплуатации.
- Т-образная эргономичная рукоять для свободного разматывания троса (T-ручка перемещенная лишь легким поднятием-и-поворотом освобождает вращающуюся кольцевую шестерню для быстрого разматывания троса. Она может быть зафиксирована в любом из 10 положений - шаг поворота 36 градусов.)
- Автоматическая защита от перегрузки лебедки встроенав блок управления
- Надежный и долговечный 3-х ступенчатый планетарный редуктор
- Мощный, запатентованный в США, Германии, Великобритании и Франции, конический тормоз, с легкостью удерживает полную нагрузку и прост в обслуживании
- Лебедка оснащена светодиодным температурным индикатором и датчиком от перегрева.
- Лебедка выполнена в соответствии с современными стандартами и требованиями
- Лебедка поставляется без троса
Характеристики:
Артикул: PN 851540 (24V)
Тяговое усилие: 6804 кг
Мотор 24В: 5250 Вт / 7.0 лс
Редуктор: 3-х ступенчатый планетарный
Передаточное число: 315 : 1
Тормоз (снаружи барабана): Автоматический, конический (СBS).
Трос рекомендуемый (мм x м): 14мм (1,960N/mm2) × 22 м
Тип троса рекомендуемый: гальванизированный авиационный A7 x 19
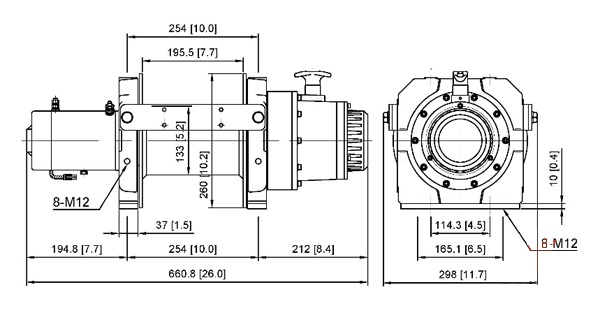
Размер барабана ( мм xмм): 133 x 195.5
Монтажный шаблон (мм xмм): x 114.3, 254 х 165.1
Скорость намотки и потребление тока (1-й слой)
| Нагрузка, кг (lbs) | Скорость намотки (м/мин) | Потр. ток, А (24V) |
| 0 | 12,6 | 35 |
| 1814 (4000) | 5,1 | 80 |
| 3630 (8000) | 4,1 | 160 |
| 4536 (10000) | 3,1 | 200 |
| 5443 (12000) | 2,5 | 250 |
| 6804 (15000) | 1.9 | 300 |
Максимальное тяговое усилие по слоям троса
| Слой троса | Максимальная нагрузка (кг) | Остаток троса на барабане (м) |
| 1 | 6804 | 6.2 |
| 2 | 5715 | 13.6 |
| 3 | 4927 | 22 |
Размер лебедки (мм)
| Ширина | Глубина | Высота |
| 661 | 298 | 266 |

ВНИМАНИЕ!
- Лебедку нельзя использовать для транспортировки людей.
-На барабане должно оставаться не менее 5 витков троса.
ГАРАНТИЯ: Каждая новая лебедка имеет гарантию от конструктивных и материальных дефектов действующую в течение предусмотренного периода отсчитываемого с даты покупки. Ограниченная гарантия на механические компоненты и один (1) год гарантии на электрические компоненты.
Комплектация:
- Съемный блок управления
- Дистанционный пульт управления с кабелем 5 м
- Ролики
Упаковка
Вес лебедки: 59 кг
Вес с упаковкой: 71 кг
Размеры коробки , (Д xШ xВ): 693 x 354 x 473 мм

