Уважаемые покупатели! Информация по цене и наличию товара, может отличаться от фактической к моменту оформления заказа!
По наличию и стоимости интересующего вас товара, пожалуйста уточняйте по телефону:
- Лебедка c максимальным тяговым усилием в 4,3 тонны оснащена герметичным мотором с высоким крутящим моментом и защитой от перегрева.
- Надежный и долговечный 3-х ступенчатый планетарный редуктор.
- Мощный, запатентованный в США, Германии, Великобритании и Франции, конический тормоз, с легкостью удерживает полную нагрузку и прост в обслуживании.
- Высота и прочность стоек мотора и редуктора подходят для оснащения любых транспортных средств.
- Алюминиевый корпус лебедки способен выдержать 2-х кратную максимальную нагрузку.
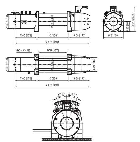
- Новая эргономичная рукоять для свободного разматывания троса (ручка перемещенная лишь легким поднятием и поворотом освобождает вращающуюся кольцевую шестерню для быстрого разматывания троса. Корпус редуктора с ручкой можно повернуть на 22.5 градусов в любую сторону на 16 положений, что дает возможность использовать бамперы различных конструкций.)
- Лебедка оснащена температурным датчиком и светодиодным индикатором перегрева.
- Влагозащищенный пульт дистанционного управления с индикаторами перегрева и кабелем длиной 5м.
- Герметичное исполнение IP68 — полная водо- и пыле-непроницаемость. Лебедка может работать в погружённом состоянии на глубине свыше 1м.
Тяговое усилие: 4 309 кг
Мотор 12В: 3 730 Вт / 5 л.с.
Редуктор: 3-х ступенчатый планетарный
Передаточное число: 159 : 1
Тормоз (снаружи барабана): автоматический, конический CBS.
Трос (мм x м): 8,7 × 30,5
Тип троса: авиационный гальванизированный А7 х 19
Размер барабана ( мм xмм): 63.5 x 227 х 273
Монтажный шаблон (мм xмм): 254 x 114
Скорость намотки и потребление тока (1-й слой)
| Нагрузка, кг | Скорость намотки (м/мин) | Потр. ток, А (12B) |
| 0 | 14.8 | 60 |
| 907 | 4.8 | 115 |
| 1 814 | 3.6 | 210 |
| 2 722 | 2.8 | 245 |
| 3 629 | 2.3 | 280 |
| 4 309 | 2.2 | 380 |
Максимальное тяговое усилие по слоям троса
| Слой троса | Максимальная нагрузка (кг) | Остаток троса на барабане (м) |
| 1 | 4 309 | 5.1 |
| 2 | 3 472 | 11.7 |
| 3 | 2 908 | 19.7 |
| 4 | 2 501 | 30.5 |
Размер лебедки (мм)
| Ширина | Глубина | Высота |
| 603 | 159 | 206 |

ВНИМАНИЕ! Лебедку нельзя использовать для транспортировки людей
ГАРАНТИЯ: Каждая новая лебедка имеет гарантию от конструктивных и материальных дефектов действующую в течение предусмотренного периода отсчитываемого с даты покупки. Ограниченная пожизненная гарантия на механические компоненты и три (3) года гарантии на электрические компоненты.
ГАРАНТИЯ НЕ РАСПОСТРАНАЯЕТСЯ НА ТРОС!
Комплектация
- Съемный блок управления
- Дистанционный пульт управления с кабелем 5 м
- Стальной трос с крюком
- Ролики направляющие
- 2 кабеля подключения к АКБ 1.8м
- Ремень
Упаковка
Вес лебедки: 31 кг
Вес с упаковкой: 46 кг
Размеры коробки , (Д x Ш x В): 682 × 209 × 430 мм

