Уважаемые покупатели! Информация по цене и наличию товара, может отличаться от фактической к моменту оформления заказа!
По наличию и стоимости интересующего вас товара, пожалуйста уточняйте по телефону:
💪 Лебедка Runva EWN12000U24V: Индустриальная мощь для профессионалов
Электрическая лебедка Runva EWN12000U24V – надежное решение для сложных задач
Когда работа связана с экстремальными нагрузками, требуются инструменты, на которые можно положиться на 100%. Промышленная лебедка Runva EWN12000U24V – это не просто оборудование, это инвестиция в бесперебойность вашего бизнеса. Созданная для интенсивной эксплуатации на эвакуаторах, тягачах, вездеходах и грузовой технике, она сочетает в себе мощь, выносливость и продуманность, которые оценит каждый профессионал.
В этой статье мы подробно разберем, почему модель EWN12000U24V считается одним из лучших выборов на рынке и как ее возможности трансформируются в вашу ежедневную эффективность.
✅ Ключевые преимущества, которые вы оцените
-
Неоспоримая надежность: Сердце лебедки – мощный двигатель на 4.8 кВт и трехступенчатый планетарный редуктор, обеспечивающие стабильную работу под высокой нагрузкой .
-
Безопасность превыше всего: Автоматический тормоз надежно фиксирует груз в любом положении. Герметичная конструкция защищает от влаги, пыли и грязи.
-
Удобство управления: В комплекте вы получаете оба типа пультов – проводной и беспроводной. Это дает максимальную гибкость и безопасность оператора при работе в сложных условиях.
-
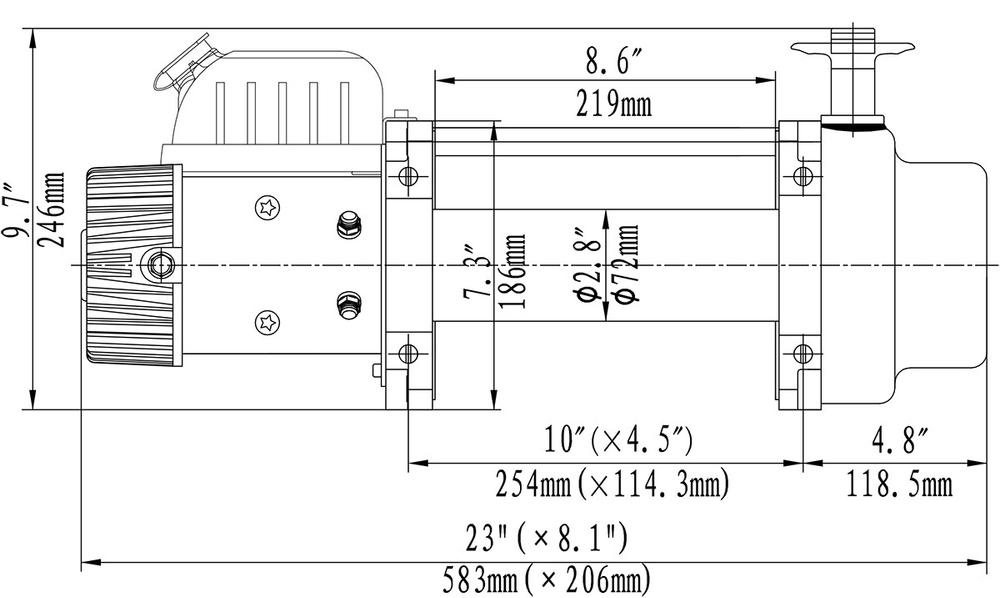
Простота интеграции: Унифицированные посадочные размеры (254 x 114.3 мм) позволяют легко установить лебедку на вашу технику без серьезных доработок.
📊 Технические характеристики лебедки Runva EWN12000U24V
Вся ключевая информация для принятия решения собрана в наглядной таблице:
| Параметр | Значение |
|---|---|
| Артикул | EWN12000U24V |
| Тяговое усилие | 12000 lbs / 5443–5700 кг |
| Напряжение питания | 24 В |
| Тип троса | Стальной, 10.2 мм x 25.5 метров |
| Редуктор | 3-ступенчатый планетарный |
| Передаточное отношение | 332:1 |
| Габариты (Д х Ш х В) | 573 x 206 x 246–299 мм |
| Вес | 61–61.3 кг |
| Пульт управления | Проводной + Беспроводной |
📈 Производительность в деталях: данные для планирования
Чтобы вы могли точно оценить возможности лебедки, мы приводим детальные данные о ее производительности в различных режимах.
Максимальное усилие по слоям троса
Эффективное усилие зависит от того, на какой слой барабана намотан трос.
| Слой на барабане | Макс. нагрузка (lb / кг) | Остаток троса (м) |
|---|---|---|
| 1 | 12000 / 5443 | 5.6 |
| 2 | 9800 / 4445 | 12.5 |
| 3 | 8300 / 3765 | 20.0 |
| 4 | 7200 / 3266 | 25.5 |
Скорость намотки и потребляемый ток
Планируйте энергопотребление и время выполнения работ.
| Нагрузка (Lbs / Кг) | Скорость намотки (м/мин) | Потребление тока (А) |
|---|---|---|
| Без нагрузки | 5.4 | 40 |
| 6000 / 2722 | 2.4 | 110 |
| 8000 / 3629 | 2.0 | 145 |
| 10000 / 4536 | 1.8 | 185 |
| 12000 / 5443 | 1.7 | 220 |
🛠️ Где лебедка Runva EWN12000U24V раскроет свой потенциал?
Эта индустриальная модель незаменима в следующих сферах:
-
Эвакуаторы и службы спасения: Быстрая и безопасная погрузка/разгрузка автомобилей, включая тяжелые грузовики.
-
Строительная и грузовая техника: Решение логистических задач на стройплощадках, перемещение тяжелых грузов.
-
Сельское и лесное хозяйство: Помощь в вытягивании техники, транспортировке бревен.
-
Подготовленные внедорожники: Для любителей экстремального бездорожья, чьи автомобили оснащены бортовой сетью 24В.
📦 Что входит в комплект поставки?
Вы получаете все необходимое для начала работы сразу после распаковки:
-
Лебедка Runva EWN12000U24V со стальным тросом
-
Направляющие ролики
-
Крюк с защитной предохранительной лентой
-
Проводной пульт управления
-
Беспроводной пульт управления
-
Комплект крепежа
-
Инструкция по эксплуатации
💎Лебедка Runva EWN12000U24V – это воплощение инженерной мысли, ориентированной на практическое применение. Ее конструкция исключительно надежна, производительность подтверждена техническими данными, а удобство использования продумано до мелочей. Это не просто покупка, это приобретение надежного партнера, который не подведет в критический момент.
Не экономьте на качестве, когда от оборудования зависит результат вашей работы и репутация.
🚚 Готовы сделать заказ или нужна консультация?
Позвоните нам прямо сейчас или оформите заказ на лебедку Runva EWN12000U24V на сайте bezdorog4x4.ru! Мы предлагаем доставку по всей России и гарантию от производителя.
