Уважаемые покупатели! Информация по цене и наличию товара, может отличаться от фактической к моменту оформления заказа!
По наличию и стоимости интересующего вас товара, пожалуйста уточняйте по телефону:
Выбрать
Описание
Характеристики
Отзывы
Описание
Runva – одна из крупнейших в Китае компаний по производству всех типов лебедок, которая самостоятельно занимается научными исследованиями, конструкторскими разработками и имеет для этих целей все необходимое оборудование. Она одной из первых начала производство автомобильных лебедок в Китае и является поставщиком китайской армии.
Индустриальные лебедки обладают увеличенным редуктором, тянут медленнее, но мощнее, не очень подходят для спорта.
Также из достоинств лебедок Runva следует отметить:
- Поворотный редуктор, что позволяет разместить рычажок режима свободной размотки так, как вам удобно
- Все внутренние шестерни выполнены из стали, что обеспечивает высочайшую надежность
- Лебедка собрана полностью на резиновых прокладках (включая стягивающие винты), что обуславливает лучшую среди бюджетных лебедок влагозащищенность.
Особенности:
- Механизм свободной размотки
- Автоматический тормоз
- Напряжение питания: 12 В или 24 В
- Дистанционное управление, состоящее из блока и пульта
- Беспроводное дистанционное управление (опция)
- Мотор с последовательной обмоткой
Технические характеристики
- Тяговое усилие, lbs/кг: 17500/7930
- Мотор: 12В, 5.4 кВт / 7.2 л.с.
- Передаточное число: 430:1
- Трос: Ø12мм × 26.5м
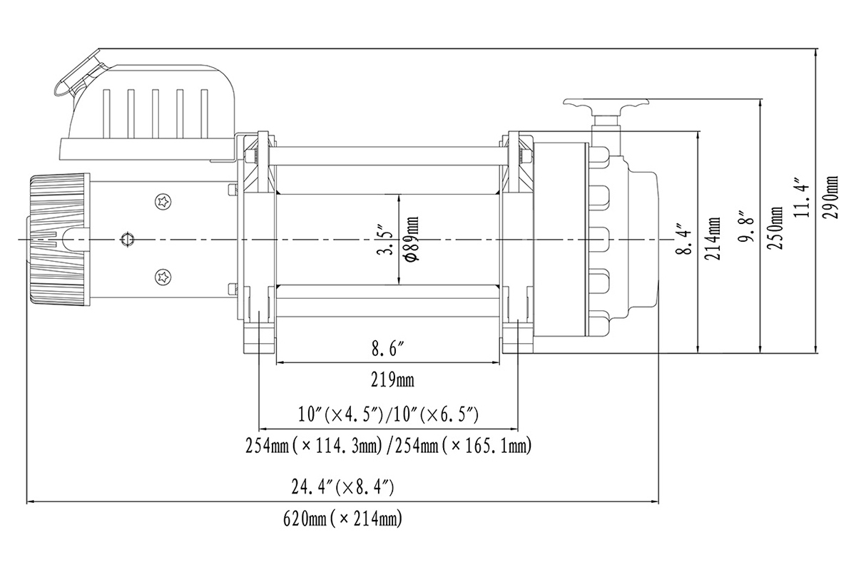
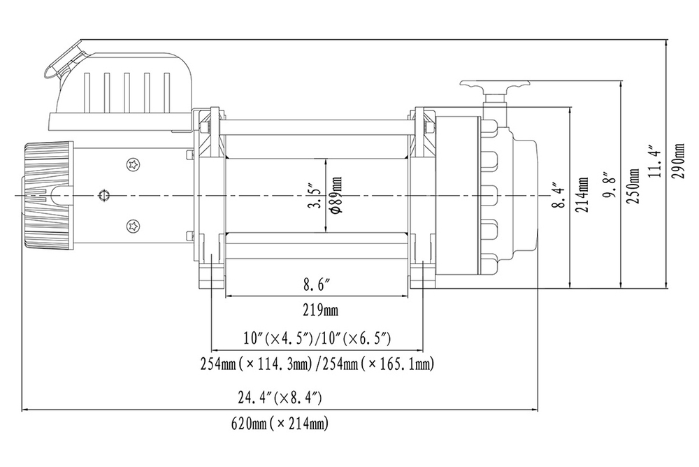
- Размеры барабана: Ø89 мм ×219 мм
- Общие размеры (ДхШхВ): 620 мм ×214 мм ×290 мм
- Вес: 53 кг
Максимальное усилие для слоёв троса на барабане лебедки Runva EWN17500U 12в
| Слой | Макс. нагрузка lb / Kг | Остаток троса на барабане м. |
| 1 | 17500 / 7938 | 6.0 |
| 2 | 14140 / 6114 | 13.0 |
| 3 | 11862 / 5381 | 21.0 |
| 4 | 10217 / 4634 | 26.5 |
Производительность автомобильной электрической лебедки Runva EWN17500U 12в
| Нагрузка Lbs(Kг) | Скорость намотки м/мин | Потребление тока, А |
| Без нагрузки | 6.0 | 100 |
| 6000 / 2722 | 2.2 | 220 |
| 10000 / 4536 | 1.7 | 320 |
| 12500 / 5670 | 1.5 | 350 |
| 14000 / 6350 | 1.4 | 380 |
| 17500 / 7938 | 0.9 | 450 |
Характеристики
Бренд
RUNVA
Отзывы
Отзывов еще никто не оставлял
