Уважаемые покупатели! Информация по цене и наличию товара, может отличаться от фактической к моменту оформления заказа!
По наличию и стоимости интересующего вас товара, пожалуйста уточняйте по телефону:
Выбрать
Описание
Характеристики
Отзывы
Описание
Бренд Runva – широко известен на рынке автомобильных лебедок с 1989 года и в настоящий момент широко представлен на рынке более чем в 50 странах мира. Имея крупнейшие производственные мощности в Китае, Runva уделяет большое значение развитию технологий и внедрению новых инноваций.
Производственная линейка лебедок Runva включает в себя электрические, гидравлические и даже бензиновые лебедки, а диапазон развиваемого тягового усилия имеющегося модельного ряда составляет от 2000 до 25000 lbs.
Технические характеристики автомобильной электрической лебедки для эвакуаторов Runva EWN12000U 24V
- Номинальное тяговое усилие 5443кг.(12000)
- Передаточное число 332:1
- Двигатель 7.5 л.с.
- Пульт управления возможна установка на лебедку сверху
- Провод питания есть
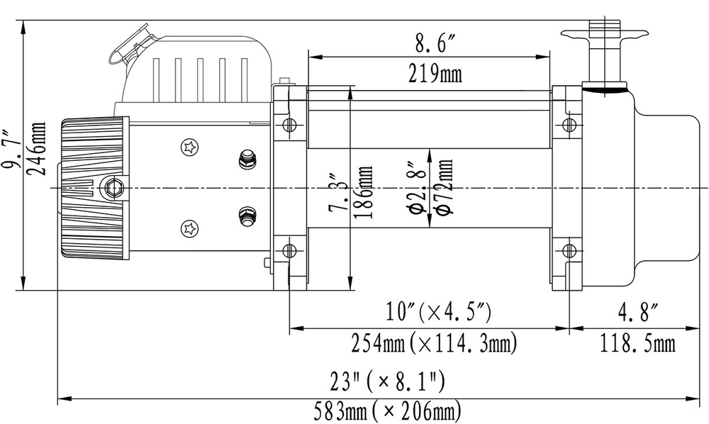
- Габаритные размеры (д/ш/в) 573x206x299 мм
- Диаметр/ширина барабана(мм) 72/222
- Вес 57 кг.
- Диаметр/длина троса 10.2 мм / 25,5 м
Максимальное усилие для слоёв троса на барабане лебедки Runva EWN15000U 12в
| Слой | Макс. нагрузка lb / Kг | Остаток троса на барабане м. |
| 1 | 12000 / 5443 | 5.6 |
| 2 | 9800 / 4445 | 12.5 |
| 3 | 8300 / 3765 | 20.0 |
| 4 | 7200 / 3266 | 25.5 |
Производительность автомобильной электрической лебедки Runva EWN15000U 12в
| Нагрузка Lbs(Kг) | Скорость намотки м/мин | Потребление тока, А |
| Без нагрузки | 5.0 | 80 |
| 6000 / 2722 | 2.3 | 260 |
| 8000 / 3629 | 1.95 | 310 |
| 10000 / 4536 | 1.75 | 380 |
| 12000 / 5443 | 1.45 | 450 |
Характеристики
Бренд
RUNVA
Отзывы
Отзывов еще никто не оставлял
