Уважаемые покупатели! Информация по цене и наличию товара, может отличаться от фактической к моменту оформления заказа!
По наличию и стоимости интересующего вас товара, пожалуйста уточняйте по телефону:
Runva EWD10000S-SR: Две лебедки в одной для полного контроля над бездорожьем
Забудьте о компромиссах между скоростью и мощностью. Лебедка двухскоростная Runva EWD10000S-SR — это революционная инженерная разработка, которая объединила в одном корпусе два принципиально разных инструмента для спасательных работ. Теперь вам не нужно выбирать: вы получаете универсальное решение для любых условий — от быстрой подсобки до экстремального вытягивания из грязи по самую раму.
Ключевое преимущество: интеллектуальная двухскоростная система
Сердце модели EWD10000S-SR — инновационный двухступенчатый редуктор, который обеспечивает два независимых режима работы:
-
Скоростной режим (109:1) — для динамичной работы. Используйте его для быстрой смотки троса без нагрузки, когда каждая секунда на счету. Он идеален, чтобы помочь автомобилю в несложной ситуации или оперативно подготовить лебедку к работе.
-
Силовой режим (223:1) — для решения самых сложных задач. Включайте этот режим, когда требуется максимальное тяговое усилие до 4536 кг. Медленная, но неотвратимая мощь вытянет вас из самой глубокой грязи, трясины или при преодолении крутого подъема.
Переключение между режимами происходит мгновенно с помощью удобного переключателя на корпусе, делая управление усилием простым и интуитивно понятным.
Мощь, которой можно доверять
Лебедка Runva EWD10000S-SR создана для самых суровых испытаний:
-
Тяговое усилие: 10000 lbs (4536 кг) на первом слое троса.
-
Надежный мотор: Электродвигатель мощностью 4.3 кВт (5.7 л.с.) обеспечивает стабильную работу даже при высоких нагрузках.
-
Синтетический трос: Легкий, безопасный и удобный в обращении. Не подвержен коррозии и не сохраняет опасную "память" при смотке.
-
Защита от стихии: Степень влагозащиты IP67 гарантирует полную герметичность. Лебедка не боится полного погружения в воду, грязь и пыль, что критически важно для российского бездорожья.
Технические характеристики Runva EWD10000S-SR:
-
Тяговое усилие: 10000 lbs (4536 кг)
-
Электродвигатель: 4.3 кВт / 5.7 л.с.
-
Защита от воды и пыли: IP67 (полная водонепроницаемость)
-
Редуктор: Двухскоростной, передаточные числа 223:1 (силовой) и 109:1 (скоростной)
-
Трос: Синтетический
-
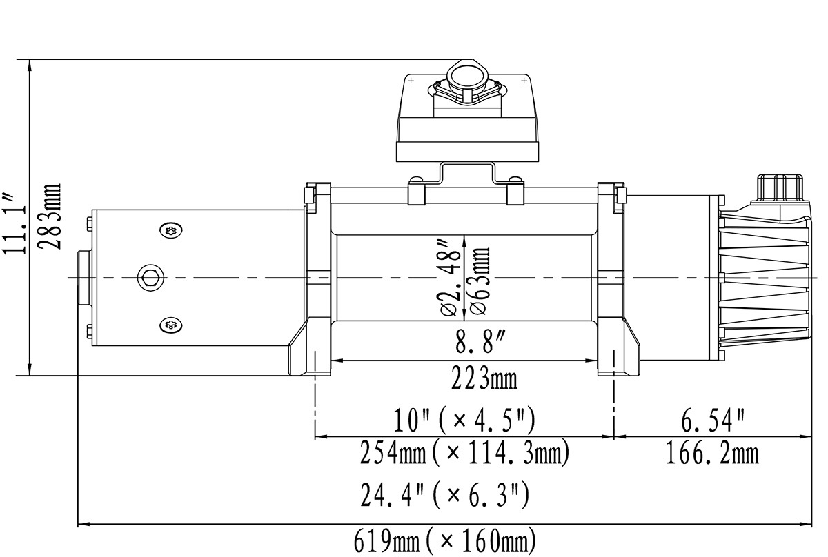
Размеры барабана: Ø63 мм, ширина 223 мм
-
Посадочная плита: 254 мм × 114.3 мм (болты М10)
-
Габариты: 619 × 160 × 254 мм
-
Вес: 39.0 кг
Таблица тягового усилия по слоям:
| Слой на барабане | Тяговое усилие (lbs) | Тяговое усилие (кг) |
|---|---|---|
| 1 | 10000 lbs | 4536 кг |
| 2 | 7969 lbs | 3615 кг |
| 3 | 6624 lbs | 3005 кг |
| 4 | 5667 lbs | 2571 кг |
Runva EWD10000S-SR — это выбор профессионалов и энтузиастов, которые ценят готовность ко всему. Она одинаково блестяще проявит себя на любительском выезде на природу, в экспедиции по глухим регионам и в напряженной борьбе на спортивных соревнованиях.
Сделайте ваше движение безграничным. Лебедка Runva EWD10000S-SR — ваш ключ к новым уровням свободы и безопасности.
