Уважаемые покупатели! Информация по цене и наличию товара, может отличаться от фактической к моменту оформления заказа!
По наличию и стоимости интересующего вас товара, пожалуйста уточняйте по телефону:
Выбрать
Описание
Характеристики
Отзывы
Описание
Runva – одна из крупнейших в Китае компаний по производству всех типов лебедок, которая самостоятельно занимается научными исследованиями, конструкторскими разработками и имеет для этих целей все необходимое оборудование. Она одной из первых начала производство автомобильных лебедок в Китае и является поставщиком китайской армии. Основные характеристики
- MAX усилие 2268 кг
- Трос: синтетика, длина 25 м, диаметр 7 мм
- Вес 20 кг
- MAX ток потребления: 280 А
- Напряжение питания: 12 V
- Скоростей: 1
- Двигатель: 4.5 л.с.
- Передаточное число: 280:1
- Тормоз: Автоматический
- Диаметр троса: 6 мм
- Скорость намотки при MAX нагрузке: 2.2 м.мин
- Скорость намотки при MIN нагрузке: 3.9 м.мин
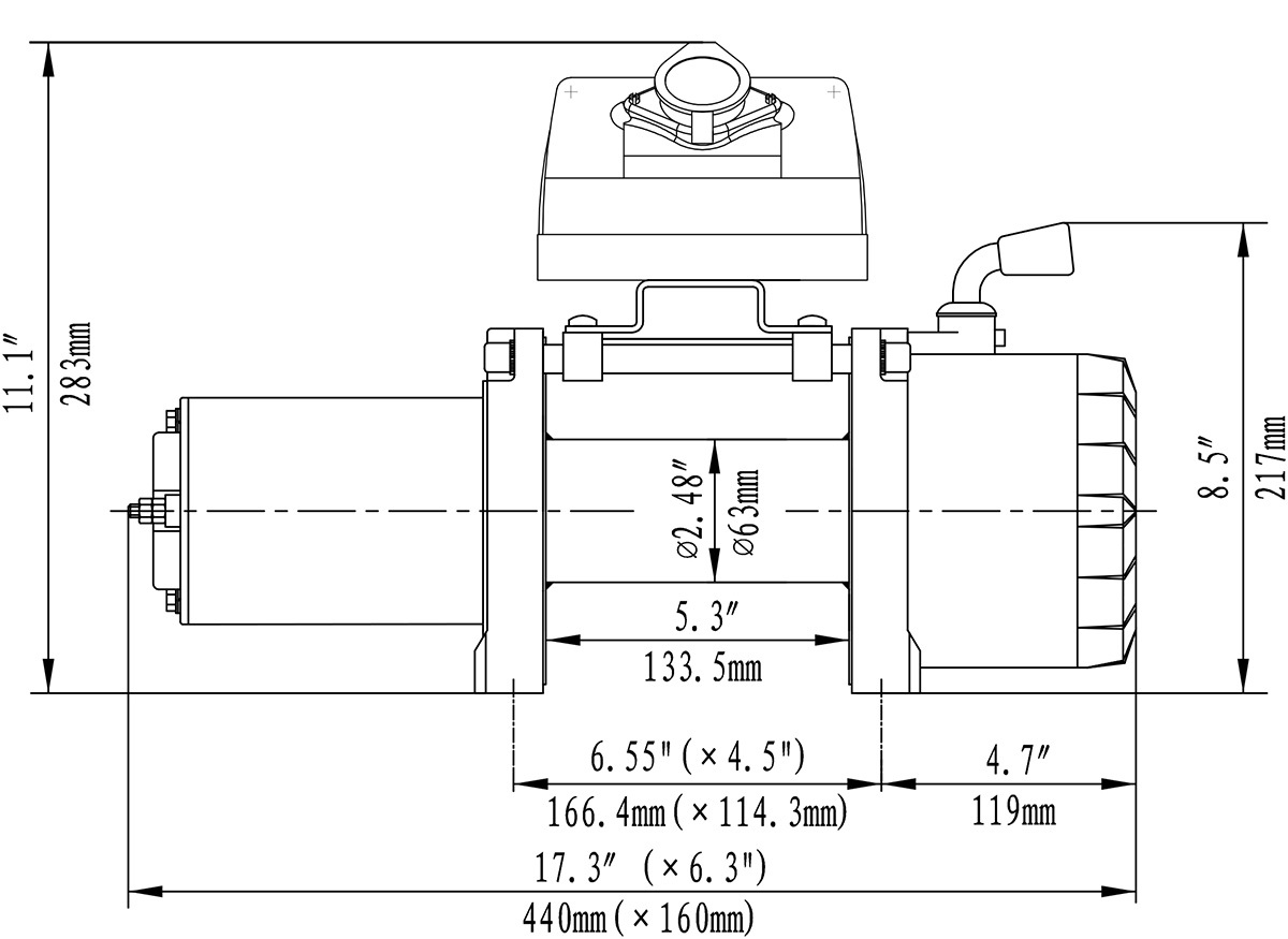
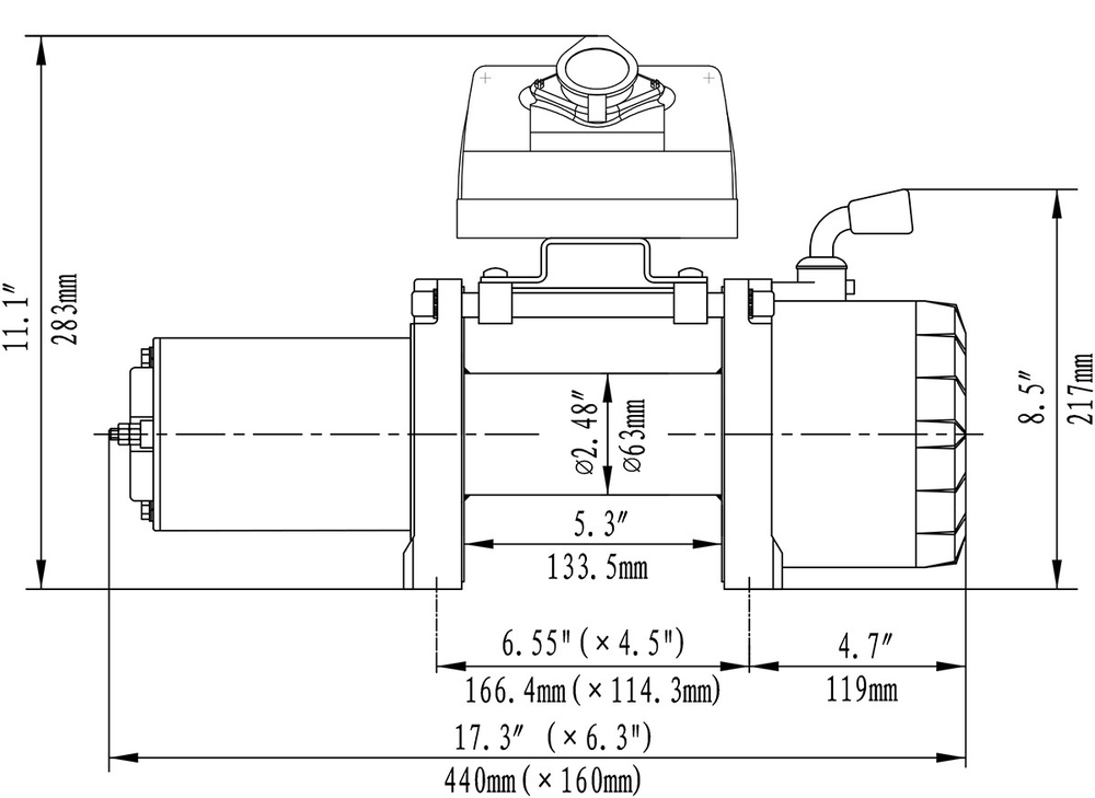
- Габариты,мм: 440x160x283
Производительность лебедки автомобильной электрической 12V Runva 5000 lbs 2268кг:
| Нагрузка Lbs/кг | Скорость намотки М/мин | Потр. ток (А) |
| 0 | 3.9 | 45 |
| 1000 (454) | 3.5 | 90 |
| 3000 (1361) | 2.8 | 170 |
| 5000 (2268) | 2.2 | 280 |
Максимальное тяговое усилие для слоев на барабане лебедки автомобильной электрической 12V Runva 5000 lbs 2268кг:
| Слой | Макс. нагрузка, Кг (Lbs) | Остаток троса на барабане, м. |
| 1 | 5000 (2268) | 5.0 |
| 2 | 4259 (1932) | 10.9 |
| 3 | 3710 (1683) | 17.4 |
| 4 | 3286 (1490) | 24.0 |
Характеристики
Бренд
RUNVA
Отзывы
Отзывов еще никто не оставлял
