Уважаемые покупатели! Информация по цене и наличию товара, может отличаться от фактической к моменту оформления заказа!
По наличию и стоимости интересующего вас товара, пожалуйста уточняйте по телефону:
Runva – одна из крупнейших в Китае компаний по производству всех типов лебедок, которая самостоятельно занимается научными исследованиями, конструкторскими разработками и имеет для этих целей все необходимое оборудование. Она одной из первых начала производство автомобильных лебедок в Китае и является поставщиком китайской армии.
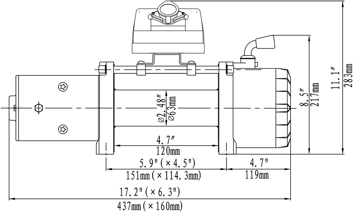
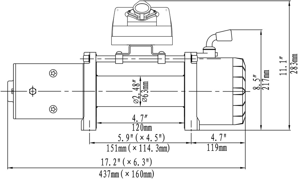
Отличительной особенностью этой лебедки является укороченный барабан. В первую очередь этой моделью могут заинтересоваться те автовладельцы, кто не хотел бы ставить стационарную лебедку и планирует использовать съемный вариант.
Благодаря своей конструкции лебедка получилась легкой и компактной, что очень важно если вы используете переносной вариант. Она не займет много места в багажнике и одному человеку вполне под силу использовать ее.
Основные характеристики:
- Тяговое усилие: 9500lb (4309 кг)
- Мотор: (12В) 4.6 кВт/5.8HP
- Передаточное число: 230:1
- Трос: синтетика, длина 14 метров, диаметр 10 мм
- Размер барабана: 63 мм x 120 мм
- Посадочный размер: 151×114.3 мм
- Внешние габариты: 437 мм x 160 мм x 272 мм
| Тяговое усилие (lb) | Скорость сматывания (м/мин) | Потребляемый ток А (12В) | Слой троса | Максимальное усилие lb/Кг | |
| 0 | 6.0 | 80 | 1 | 9500 (4309) | |
| 3000 | 3.8 | 170 | 2 | 7706 (3495) | |
| 6000 | 3.0 | 260 | 3 | 6482 (2940) | |
| 9500 | 6.2 (1.9) | 380 | 4 | 5593 (2537) |
