Уважаемые покупатели! Информация по цене и наличию товара, может отличаться от фактической к моменту оформления заказа!
По наличию и стоимости интересующего вас товара, пожалуйста уточняйте по телефону:
Лебедка внедорожная EWB 18000 lbs / 8165 кг — Максимальная защита от воды по стандарту IP67
Если вы ищете надежную лебедку, которая не подведет в самых экстремальных условиях, обратите внимание на влагозащищенную серию EWB. Это не просто лебедки с улучшенной защитой от брызг — это полноценные герметичные устройства с классом пыле- и влагозащиты IP67. Такая лебедка готова к долговременной работе даже при полном погружении под воду, что делает ее незаменимым спутником в грязи, болотах и на сложных внедорожных маршрутах.
Ключевые преимущества лебедки EWB:
-
Полная герметичность IP67: Благодаря использованию полноценных сальниковых уплотнений мотор и редуктор надежно защищены от попадания пыли, грязи и влаги. Вы можете форсировать глубокие водные преграды без риска выхода лебедки из строя.
-
Выдающаяся мощность и надежность: С тяговым усилием 18000 lbs (8165 кг) и мощным мотором на 5.5 кВт эта лебедка справится с вытаскиванием самого тяжелого внедорожника из любой ловушки.
-
Удобная и продуманная конструкция: Блок соленоидов закреплен над мотором, что не перекрывает доступ к барабану с тросом и позволяет легко разместить лебедку на стандартной площадке без необходимости переноса блока управления.
-
Долгий срок службы и минимум обслуживания: Использование сальников не только защищает от воды, но и значительно увеличивает межсервисный интервал, делая лебедку EWB долговечным и практичным решением.
-
Выбор профессионалов: Лебедки серии EWB trusted by pros — их выбирают постоянные участники внедорожных соревнований и любители тяжелого оффроуда, ценящие безотказность и выносливость техники.
Подробные технические характеристики:
-
Тяговое усилие: 18000 lbs / 8165 кг
-
Мотор: 12В, мощность потребляемая: 5.5 кВт (7.4 л.с.)
-
Редуктор: Передаточное число 370:1
-
Трос: Стальной, 12 мм x 26.5 м
-
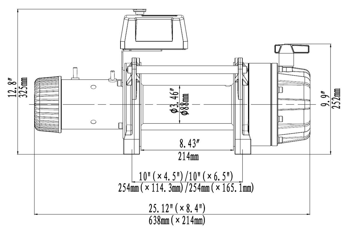
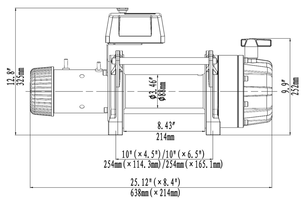
Присоединительные размеры: 254 мм × 114.3 мм / 254 мм × 165.1 мм (совместима с большинством внедорожных площадок)
-
Габариты: 638 мм × 214 мм × 325 мм
Производительность на первом слое троса:
| Тяговое усилие (lbs/кг) | Скорость намотки (м/мин) | Потребляемый ток (А) |
|---|---|---|
| 0 | 8.0 | 60 |
| 6000 / 2722 | 3.2 | 180 |
| 10000 / 4536 | 2.4 | 260 |
| 14000 / 6350 | 2.0 | 320 |
| 18000 / 8165 | 1.5 | 360 |
Запас троса и усилие по слоям:
| Слой | Тяговое усилие (lbs/кг) | Остаток троса (м) |
|---|---|---|
| 1 | 18000 / 8165 | 5.6 |
| 2 | 14516 / 6584 | 12 |
| 3 | 12162 / 5516 | 20 |
| 4 | 10465 / 4747 | 26.5 |
Гарантия:
На лебедку предоставляется гарантийный срок эксплуатации 1 год. (Обратите внимание: гарантия не распространяется на мотор, трос и ролики).
Доставка:
Товар поставляется в упаковке с габаритами 730x330x310 мм, что удобно для расчета доставки транспортной компанией.
Купите лебедку EWB 18000 lbs — обеспечьте себе полную уверенность в любой ситуации на бездорожье!
