Уважаемые покупатели! Информация по цене и наличию товара, может отличаться от фактической к моменту оформления заказа!
По наличию и стоимости интересующего вас товара, пожалуйста уточняйте по телефону:
Выбрать
Описание
Характеристики
Отзывы
Описание
Лебедки серии MAX относятся к классу герметичных лебедок, в конструкции применены помимо уплотнительных колец полноценные сальники, исключающие попадание воды в мотор или редуктор. Степень влагозащиты - IP67.
К отличительным особенностям лебедок серии MAX можно отнести:
- Более мощный мотор - 8.3 лс (кроме серии EWB9500MAX)
- Увеличенный диаметр барабана, позволяющий намотать до 35 метров троса
- Усиленные станины мотора и редуктора
- Возможность перестановки, при необходимости, корпуса блока соленоидов в положение над барабаном или над редуктором.
Сводобная размотка происходит на третьей ступени редуктора, что делает ручную размотку троса легкой. Механизм тормоза находится в редукторе.
Технические характеристики
- Тяговое усилие: 12500 lbs (5670 кг)
- Мотор: 8,3 лс
- Передаточное число редуктора: 228:1
- Трос: сталь, Ø10.2 мм×35 м
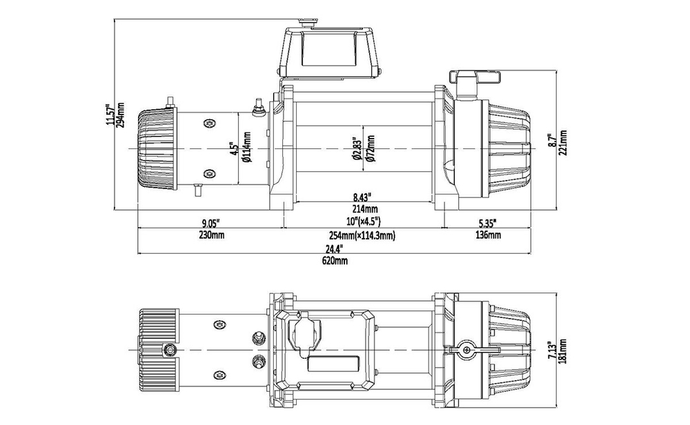
- Размер барабана: Ø72 мм×214 мм
- Сводобная размотка: на 3-й ступени редуктора
- Тормоз: в редукторе
- Монтажный размер: 254 мм×114.3 мм (4хM10)
- Внешние габариты: 620 мм×181 мм×221 мм
- Вес: 54,6 кг
Тяговое усилие, скорость сматывания троса и ток
| Тяговое усилие, lbs/кг | Скорость смотки, м/мин | Ток, А |
| 0 | 11.5 | 55 |
| 3000 (1361) | 6.5 | 110 |
| 6000 (2722) | 4 | 250 |
| 9000 (4082) | 3 | 310 |
| 12500 (5670) | 1.6 | 420 |
Характеристики
Бренд
RUNVA
Отзывы
Отзывов еще никто не оставлял
