Уважаемые покупатели! Информация по цене и наличию товара, может отличаться от фактической к моменту оформления заказа!
По наличию и стоимости интересующего вас товара, пожалуйста уточняйте по телефону:
💪 Лебедка Runva EWS10000SR: Доминация на бездорожье и спортивной трассе
Электрическая лебедка Runva EWS10000SR – Мощность и Скорость для Победы
Когда на кону стоит результат трофи-рейда или спасение в глухом бездорожье, важна каждая секунда. Новая сверхскоростная лебедка Runva EWS10000SR создана для тех, кто не признает полумер. Это не аксессуар, а бескомпромиссное оружие против любых препятствий, сочетающее феноменальную мощь и рекордную скорость.
Инженеры Runva пошли от противного: вместо одного установили два мощных мотора по 7.2 л.с. каждый. Суммарная мощность 14,4 л.с. – это не просто цифра, а гарантия стабильной тяги в 10000 lbs (4536 кг) даже на самых выматывающих участках. Вторая задача, которую решает дуэт моторов – скорость. Пока другие только начинают сматывать трос, вы уже закончили. 42,7 метра троса в минуту – ваше решающее преимущество в гонке со временем.
Ключевая выгода: Эта лебедка для тех, для кого слова «не вытяну» и «медленно» – просто неприемлемый компромисс.
✨ Ключевые преимущества, которые оценят спортсмены и путешественники
-
Рекордная скорость смотки: Быстрое сматывание троса критически важно на спортивных трассах и в оперативных спасательных работах. Вы тратите меньше времени и сил.
-
Выдающаяся мощность: Два мотора обеспечивают запас тяги, который уверенно справляется с самым сложным и вязким грунтом, глиной и песком.
-
Абсолютная надежность и защита: Корпус с классом IP67 не боится пылевых бурь и гарантирует работоспособность после кратковременного погружения под воду на глубину до 1 метра. Лебедка переживет то, что сломало бы другие.
-
Безопасность и современное решение: В комплекте идет прочный синтетический трос длиной 26 метров. Он легче и безопаснее стального, не тонет в грязи и не образует смертельно опасных «хлыстов» при обрыве.
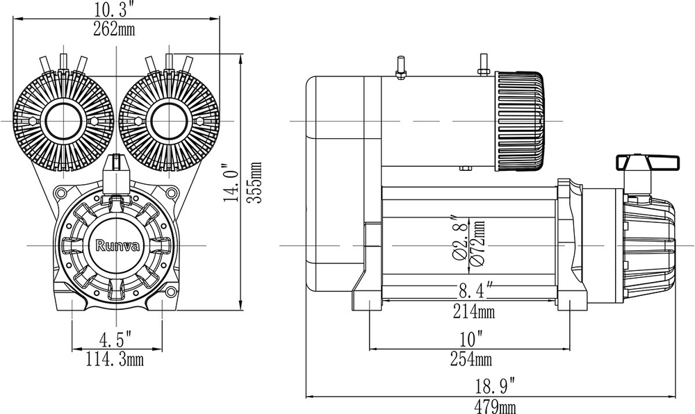
⚙️ Технические характеристики Runva EWS10000SR
Для вашего удобства все ключевые параметры сведены в наглядную таблицу.
| Параметр | Значение |
|---|---|
| Артикул | EWS10000SR |
| Тяговое усилие | 10000 lbs / 4536 кг |
| Напряжение питания | 12V |
| Мощность двигателя | 2 x 7.2 л.с. (суммарно 14.4 л.с.) |
| Скорость смотки троса | ~42.7 м/мин (без нагрузки) |
| Тип троса | Синтетический, 9.2 мм x 26 м |
| Редуктор | Трехступенчатый планетарный |
| Класс защиты | IP67 (водо- и пыленепроницаема) |
| Габариты (Д x Ш x В) | 470.5 x 260 x 326 мм |
| Монтажный шаблон | 254 x 114.3 мм |
| Вес | 58.5 кг |
Сфера применения: Где EWS10000SR станет вашим главным козырем
Эта модель идеально подходит для:
-
Участников трофи-рейдов и спортивных соревнований, где важна каждая секунда и абсолютная надежность техники.
-
Владельцев подготовленных внедорожников, которые регулярно штурмуют экстремальное бездорожье и нуждаются в максимально надежном оборудовании.
-
Профессионалов, для которых лебедка – не аксессуар, а основной рабочий инструмент.
🛠️ Комплектация
Вы покупаете готовое к установке решение. В базовый комплект входит:
-
Лебедка Runva EWS10000SR с синтетическим тросом
-
Алюминиевый клюз
-
Крюк с защитной стропой
-
Проводной пульт управления
-
Комплект силовых проводов для подключения
-
Весь необходимый крепеж
Обратите внимание: Для комфортной работы на расстоянии дополнительно рекомендуем приобрести пульт радиоуправления, который существенно расширит ваши возможности на трассе.
💡 Рекомендации от экспертов bezdorog4x4.ru
Помните, что даже самая мощная лебедка – лишь часть экипировки. Для успешного преодоления бездорожья и участия в рейдах ваш набор должен включать домкрат, сэнд-траки, прочные перчатки и шаклы. Это гарантирует, что вы будете готовы к любой ситуации.
Не идите на компромиссы с бездорожьем. Лебедка Runva EWS10000SR – это воплощение передовых инженерных решений и проверенной надежности. Это не просто инструмент для спасения, это – ваше неоспоримое преимущество, которое приведет вас к финишу первым.
