Уважаемые покупатели! Информация по цене и наличию товара, может отличаться от фактической к моменту оформления заказа!
По наличию и стоимости интересующего вас товара, пожалуйста уточняйте по телефону:
- Легкая и компактная лебедка.
- Мотор с низким энергопотреблением
- Надежный и долговечный 3-х ступенчатый планетарный редуктор полностью изготовленный из металла
- Легкая свободная размотка троса
- Механический и динамический тормоз для надежного торможения барабана.
- Новый герметичный корпус контактора обеспечивают экстремальную надежность, контактор способен долгое время выдерживать токи больших величин
- ЕАС - Лебедка сертифицирована по правилам Таможенного союза

Тяговое усилие: 907 кг
Мотор 12В: 600 Вт / 0.8 лс
Редуктор: 3-х ступенчатый планетарный
Передаточное число: 103 : 1
Тормоз (снаружи барабана): механический и динамический
Трос (мм xм): 4,0 × 15,2 м
Тип троса: гальванизированный авиационный А7х19
Размер барабана ( мм xмм): 38 x 75
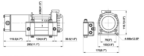
Монтажный шаблон (мм xмм): 76 x 124
Скорость намотки и потребление тока (1-й слой)
| Нагрузка, кг (lbs) | Скорость намотки (м/мин) | Потр. ток, А (12B) |
| 0 | 6,1 | 20 |
| 302 (666) | 4,6 | 50 |
| 454(1000) | 4,8 | 75 |
| 605 (1334) | 3,1 | 100 |
| 907 (2000) | 2,0 | 150 |
Максимальное тяговое усилие по слоям троса
| Слой троса | Максимальная нагрузка (кг) | Остаток троса на барабане (м) |
| 1 | 907 | 2,4 |
| 2 | 762 | 5,3 |
| 3 | 657 | 8,6 |
| 4 | 577 | 12,4 |
| 5 | 515 | 15,2 |
Размер лебедки (мм)
| Ширина | Глубина | Высота |
| 283 | 100 | 116 |

ВНИМАНИЕ! Лебедку нельзя использовать для транспортировки людей
ГАРАНТИЯ: Каждая новая лебедка имеет гарантию от конструктивных и материальных дефектов действующую в течение предусмотренного периода отсчитываемого с даты покупки. Ограниченная гарантия на механические компоненты и один (1) год гарантии на электрические компоненты.
ГАРАНТИЯ НЕ РАСПРОСТРАНЯЕТСЯ НА СТАЛЬНОЙ ТРОС И МОТОР!
Комплектация:
- Блок управления на руль
- Ролики
- Трос с крюком
- Кабели подключения к АКБ
- Ремень
Упаковка:
Вес лебедки: 6,5 кг
Вес с упаковкой: 10 кг
Размеры коробки, (Д xШ xВ): 296 x 223 x 140 мм


